Differenzdruckschalter DS 01

 VOR 93940 93950 93960 93970 93980 object_image_64059imagemain_dech
 BEF 93940 93950 93960 93970 93980
Datenblatt Differenzdruckschalter DS 01
AFRISO Datenblatt Differenzdruckschalter DS 01

Ausführungen

Druckbereich Art.-Nr. Merken
Differenzdruckschalter DS 01 0/0,6 bar 88103
Differenzdruckschalter DS 01 0/1 bar 88104
Differenzdruckschalter DS 01 0/1,6 bar 88105
Differenzdruckschalter DS 01 0/2,5 bar 88107
Differenzdruckschalter DS 01 0/4 bar 88106

Blaue Art.-Nr. = Lagerware

Beschreibung Format Sprache Download / Link
Datenblatt Differenzdruckschalter DS 01 Datenblatt PDF
AFRISO Datenblatt Differenzdruckschalter DS 01
Differenzdruckschalter DS 01 Konformitätserklärung PDF
AFRISO Differenzdruckschalter DS 01
Als Basis wird ein robustes Membranmesswerk verwendet. Es eignet sich für Überdruck-, Unterdruck- und Differenzdruckmessungen. Bei allen drei Messanwendungen arbeiten die Geräte nach dem gleichen Prinzip. Durch den zu messenden Druck oder Differenzdruck entsteht an der Membrane eine einseitige Kraft. Diese Messkraft verschiebt das Membransystem gegen die Messbereichsfeder. Ein an die Membrane montierter Schaltstößel betätigt ein elektrisches Schaltelement. Die Schaltpunktverstellung erfolgt an einem skalierten Handrad.
Druckbereich
0/0,6 bar
0/1 bar
0/1,6 bar
0/2,5 bar
0/4 bar
Statischer Druck
Max. 16 bar, Gerät überdrucksicher bis 16 bar und unterdrucksicher
Temperatureinsatzbereich
Medium:
Max. 80 °C
Umgebung:
Max. 80 °C
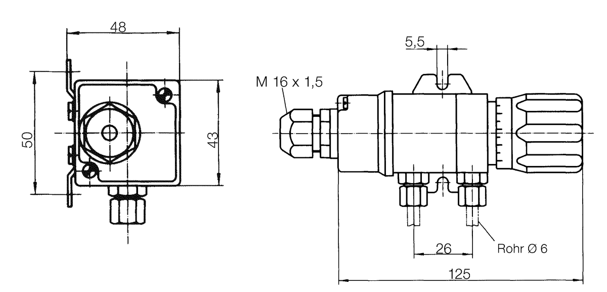
Anschluss
2 x G⅛ IG
Druckkammer
Messing
Membrane
NBR (Perbunan)
Montage
Befestigungsfuß für Wandaufbau
Elektrischer Anschluss
Kabelverschraubung M16 x 1,5
Schaltpunkt
10–100 % des Druckbereiches, stufenlos einstellbar
Kontakt
Mikroschalter, Schließer
Schalthysterese
Ca. 2 %
Kontaktbelastung
AC 250 V, 3 A, 500 VA
DS 01
DS 01
AFRISO
Maße (in mm)