Produktneuheiten

Unser Leitmotiv „Technik für Umweltschutz“ steht im Mittelpunkt der Produktentwicklung und prägt so schon lange einen sehr großen Teil des Produktsortiments. Wir arbeiten daran, dass die Umwelt besser wird, Prozesse umweltschonender funktionieren und Umweltbelastungen vermieden werden. Auch die AFRISO Neuheiten spiegeln dies wider: Überzeugen Sie sich von einer Vielzahl innovativer Lösungen, Produktneuheiten und cleveren Konzepten.

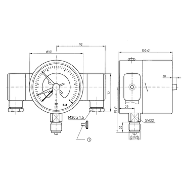
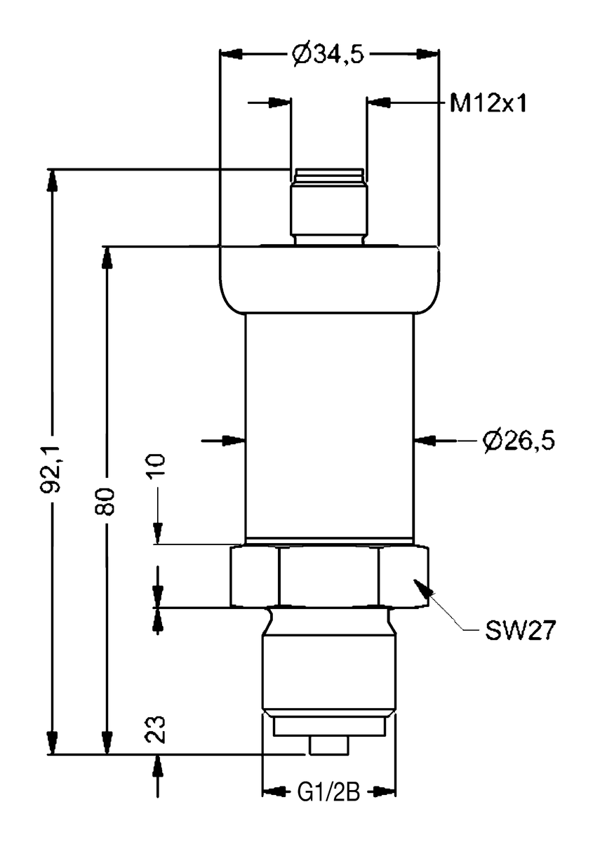
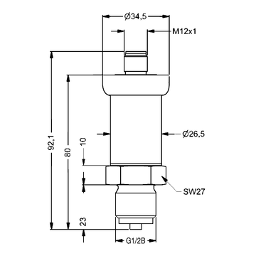
Druckmessumformer DMU 13 Vario mit örtlicher Anzeige

AFRISO Druckmessumformer DMU 13 Vario mit örtlicher Anzeige AFRISO Druckmessumformer DMU 13 Vario mit örtlicher Anzeige
AFRISO Legende: <div class="gallery-information"> <p> <strong>DMU 13 Vario - Anschluss radial, mit Grenzsignalgeber</strong> </p> <p>Maße (in mm)</p> <b>Legende:</b> <ol> <li>Abnehmbarer Schlüssel wird lose mitgeliefert</li> </ol> </div>
AFRISO Druckmessumformer DMU 13 Vario mit örtlicher Anzeige
AFRISO Druckmessumformer DMU 13 Vario mit örtlicher Anzeige
AFRISO Druckmessumformer DMU 13 Vario mit örtlicher Anzeige
AFRISO Druckmessumformer DMU 13 Vario mit örtlicher Anzeige
AFRISO Druckmessumformer DMU 13 Vario mit örtlicher Anzeige
AFRISO Druckmessumformer DMU 13 Vario mit örtlicher Anzeige
AFRISO Druckmessumformer DMU 13 Vario mit örtlicher Anzeige
AFRISO Druckmessumformer DMU 13 Vario mit örtlicher Anzeige
AFRISO Druckmessumformer DMU 13 Vario mit örtlicher Anzeige
AFRISO Druckmessumformer DMU 13 Vario mit örtlicher Anzeige

Druckmessumformer DMU 30 Industrieausführung

Alarmgerät AG 10 Ex

AFRISO Alarmgerät AG 10 Ex AFRISO Alarmgerät AG 10 Ex
AFRISO Legende: <div class="gallery-information"> <b>Legende:</b> <ol> <li>Warnlichthupe</li> <li>Flaschenbatterie</li> <li>Kontaktmanometer</li> </ol> </div>
AFRISO Alarmgerät AG 10 Ex
AFRISO Alarmgerät AG 10 Ex
AFRISO Alarmgerät AG 10 Ex

Mehrkanal-Prozessanzeige MPA 10

Mehrkanal-Prozessanzeige MPA 20

Flüssigkeitsmelder AFA 11

Flüssigkeitsmelder AFA 11 mit Brenner-Anschluss-Set

Alarmgeräte AG 11 / AG 12

CO2-Messgerät CM 10

CO2-Messgerät CM 20

Frostschutzventil AAV für Wärmepumpen

Zonenventil AZV

Ladeeinheit RTA 60 DN 25

AFRISO Ladeeinheit RTA 60 DN 25 AFRISO Ladeeinheit RTA 60 DN 25
AFRISO Legende: <div class="gallery-information"> <p> <strong>Mischbetrieb</strong> </p> <b>Legende:</b> <ol> <li>Mischer teilweise geöffnet, kaltes Speicherwasser wird beigemischt</li> <li>Rücklauftemperatur wird auf eingestellten Wert geregelt</li> <li>Kessel hat Betriebstemperatur erreicht</li> </ol> </div>
AFRISO Ladeeinheit RTA 60 DN 25 AFRISO Ladeeinheit RTA 60 DN 25
AFRISO Legende: <div class="gallery-information"> <p> <strong>Startbetrieb</strong> </p> <b>Legende:</b> <ol> <li>Mischer geschlossen (B-AB)</li> </ol> </div>
AFRISO Ladeeinheit RTA 60 DN 25
AFRISO Ladeeinheit RTA 60 DN 25
AFRISO Ladeeinheit RTA 60 DN 25
AFRISO Ladeeinheit RTA 60 DN 25

Heizungspumpengruppe PrimoTherm® K 180-1 DN25

Heizungspumpengruppe PrimoTherm® K 180-2 DN25

Heizungspumpengruppe PrimoTherm® K 180-2 DN25 KVS Vario

Heizungspumpengruppe PrimoTherm® K 180-1 DN32

Anodentester CAPBs® sens AT 10

CAPBs®-Set zur Dichtheitsprüfung DPK 60-8 sens

Abgasmessgerät EUROLYZER® S1 Pro Set

AFRISO Abgasmessgerät EUROLYZER® S1 Pro Set AFRISO Abgasmessgerät EUROLYZER® S1 Pro Set
AFRISO Legende: <div class="gallery-information"> <b>Legende:</b> <ol> <li>USB-C-Anschluss zur Aufladung und Datenübertragung</li> <li>Infrarot-Druckerschnittstelle</li> <li>Halteöse als Befestigungsmöglichkeit für freihändiges Arbeiten</li> <li>Signalgeber (Lautsprecher)</li> <li>Gaseingang</li> <li>Druck-/Differenzdruckmessung (Feinzug)</li> <li>Temperaturanschluss z. B. für Umgebungs- bzw. Verbrennungslufttemperatur</li> <li>Temperaturanschluss z. B. für Abgastemperatur</li> </ol> </div>
AFRISO Abgasmessgerät EUROLYZER® S1 Pro Set
AFRISO Abgasmessgerät EUROLYZER® S1 Pro Set
AFRISO Abgasmessgerät EUROLYZER® S1 Pro Set