Druckmessumformer DMU 13 mit örtlicher Anzeige

 SAR 61170 61180 61190 61200 61210 61220 61230 61240 61250 object_image_64261imagemain_dech
 BEF 61170 61180 61190 61200 61210 61220 61230 61240 61250
Datenblatt Druckmessumformer DMU 13 mit örtlicher Anzeige
AFRISO Datenblatt Druckmessumformer DMU 13 mit örtlicher Anzeige

Ausführungen

Typ Anschluss Messbereich Art.-Nr. Merken
DMU 13 G½B EN 837-1/7.3 0/1 bar 31077
DMU 13 G½B EN 837-1/7.3 0/1,6 bar 31078
DMU 13 G½B EN 837-1/7.3 0/2,5 bar 31079
DMU 13 G½B EN 837-1/7.3 0/4 bar 31080
DMU 13 G½B EN 837-1/7.3 0/6 bar 31081
DMU 13 G½B EN 837-1/7.3 0/10 bar 31082
DMU 13 G½B EN 837-1/7.3 0/16 bar 31083
DMU 13 G½B EN 837-1/7.3 0/25 bar 31084
DMU 13 G½B EN 837-1/7.3 0/40 bar 31085

Blaue Art.-Nr. = Lagerware

Beschreibung Format Sprache Download / Link
Datenblatt Druckmessumformer DMU 13 mit örtlicher Anzeige Datenblatt PDF
AFRISO Datenblatt Druckmessumformer DMU 13 mit örtlicher Anzeige
Elektronische Druckmesstechnik - Druckmessumformer Serie DMU Produktprogramm Industrietechnik PDF
AFRISO Elektronische Druckmesstechnik - Druckmessumformer Serie DMU
Die Druckmessumformer DMU 13 bestehen aus einem mechanischen Rohrfedermesswerk und einer piezoresistiven Edelstahl-Messzelle. Über das Rohrfedermesswerk wird eine gut ablesbare analoge Vorortanzeige realisiert. Die Anzeige erfolgt stromunabhängig. Durch den integrierten Messumformer ist parallel eine sehr genaue Messung möglich. Ein standardisierter Stromausgang steht für Signalübertragung und Messdatenerfassung zur Verfügung. Das robuste Edelstahlgehäuse ist mit bruchsicherer Trennwand und ausblasbarer Rückwand ausgeführt (Sicherheitsgehäuse).
Nenngröße
100
Genauigkeitsklasse (EN 837-1/6)
1,0
Messgenauigkeit
Kennlinienabweichung nach IEC 60770 – Grenzpunkteinstellung (Nichtlinearität, Hysterese, Reproduzierbarkeit)
< ± 0,5 % FSO
Langzeitstabilität
≤ ± 0,2 % FSO/Jahr
Messbereich
Siehe Bestelltabelle
Verwendungsbereich
Ruhende Belastung:
Skalenendwert
Dynamische Belastung:
0,9 x Skalenendwert
Kurzzeitige Belastung:
1,3 x Skalenendwert
Temperatureinsatzbereich
Medium:
-20/+100 °C
Umgebung:
-20/+60 °C
Lagerung:
-40/+70 °C
Temperaturfehlerband
≤ 1 % FSO/10 K im kompensierten Bereich 0/70 °C
Gehäuse
Mit bruchsicherer Trennwand und ausblasbarer Rückwand (S3)
Sichtscheibe
Sicherheitsverbundglas
Prozessanschluss
G½B EN 837-1/7.3, radial
Werkstoff
Gehäuse:
Edelstahl 304
Druckanschluss:
Edelstahl 316 L
Membrane:
Edelstahl 316 L
Dichtung:
FKM (Viton)
Mediumberührte Teile
Edelstahl 316 Ti/316 L
Druckübertragungsflüssigkeit
Silikonöl
Versorgungsspannung
DC 12 – 36 V
Ausgangssignal
2-Leiter, 4–20 mA
Bürde
R<sub>Max</sub> = [(U<sub>B</sub> – U<sub>Bmin</sub>)/0,02 A] Ω
Stromaufnahme
< 25 mA
Elektrischer Anschluss
Kabeldose
Schutzart
IP 54 (EN 60529)

Optionen

  • Gehäusefüllung (Paraffinöl)
  • Grenzsignalgeber
  • Andere Steckverbinder
  • Andere Prozessanschlüsse
  • Druckmittleranbau
DMU 13 - Anschluss radial
DMU 13 - Anschluss radial
AFRISO
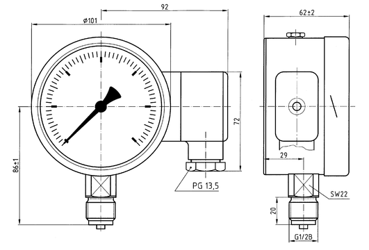
Maße (in mm)
Anschlussschaltbild
Anschlussschaltbild
AFRISO
2-Leiter 4-20 mA