Messgenauigkeit
Kennlinienabweichung nach IEC 60770 – Grenzpunkteinstellung (Nichtlinearität, Hysterese, Reproduzierbarkeit)
< 0/6 mbar:
≤ ± 1 % FSO (BFSL)
≥ 0/6 mbar:
≤ ± 0,5 % FSO (BFSL)
Display
2-zeiliges LC-Display,
Sichtbarer Bereich 32,5 x 22,5 mm,
5-stellige 7-Segment Hauptanzeige,
Ziffernhöhe 8 mm,
Anzeigebereich ± 9.999,
8-stellige 14-Segment-Zusatzanzeige,
Höhe 5 mm, 52-Segment-Bargraph,
Genauigkeit 0,1 % ± 1 Digit,
Druckeinheiten umschaltbar mbar, bar, Pa, hPa, kPa, psi, Atm, torr, mmHg
Messbereich
Siehe Bestelltabelle
Langzeitstabilität
< 0/6 mbar:
≤ ± 0,5 % FSO/Jahr
≥ 0/6 mbar:
≤ ± 0,2 % FSO/Jahr
Temperatureinsatzbereich
Medium:
0/50 °C
Umgebung:
0/50 °C
Lagerung:
-10/+70 °C
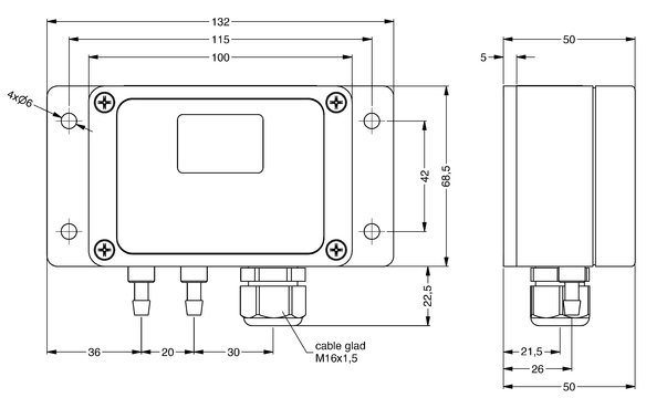
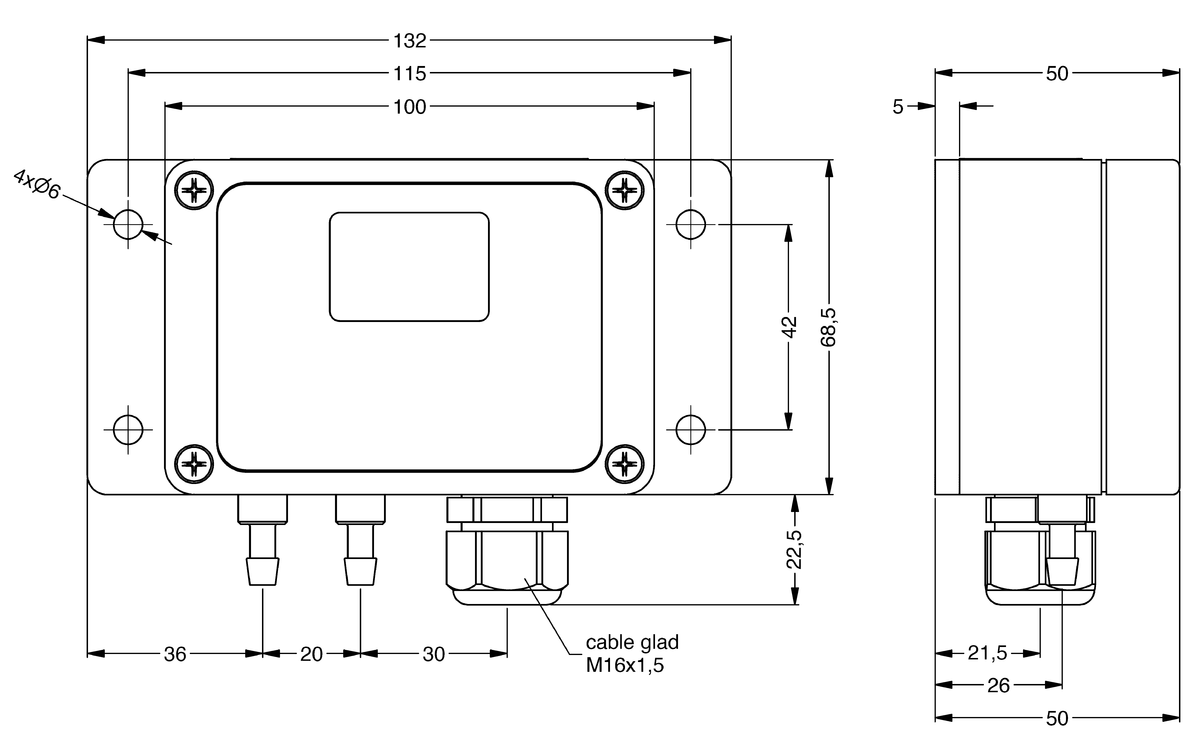
Gehäuse
B x H x T:
132 x 68,5 x 50 mm
Prozessanschluss
Schlaucholive ⌀ 6,6 x 11 mm (für flexible Schläuche mit ID 6 mm)
Schlaucholive ⌀ 4,4 x 10 mm (für flexible Schläuche mit ID 4 mm)
Werkstoff
Gehäuse:
Kunststoff (ABS)
Prozess-/Druckanschluss:
Messing, vernickelt
Sensor:
Keramik, Silikon, Epoxid, RTV
Mediumberührte Teile
Druckanschluss, PVC/Silikonschlauch, Sensor
Versorgungsspannung
DC 19 – 32 V
Ausgangssignal
3-Leiter, 0/4–20 mA und 0–10 (5) V
Bürde
0/4–20 mA:
Rmax = 330 Ω
0–10 V:
Rmin = 10 kΩ
Elektrische Schutzmaßnahmen
Kurzschluss- und verpolungssicher
Elektrischer Anschluss
Kabelverschraubung M16 x 1,5
Schutzart
IP 54 (EN 60529)
CE-Konformität
EMV-Richtlinie 2014/30/EU
RoHS-Richtlinie 2011/65/EU