Konduktiver Füllstandgrenzschalter CoFox® ELT 680

 VOR 70390 70400 object_image_64065imagemain_dech
 SAL 70390 70400
 SAR 70390 70400
 ANW 70390 70400
Datenblatt konduktiver Füllstandgrenzschalter CoFox® ELT 680
AFRISO Datenblatt konduktiver Füllstandgrenzschalter CoFox® ELT 680

Ausführungen

Art.-Nr. Merken
Füllstandgrenzschalter CoFox® ELT 680 AC 230 V 53681
Füllstandgrenzschalter CoFox® ELT 680 DC 24 V 53682

Blaue Art.-Nr. = Lagerware

Beschreibung Format Sprache Download / Link
Datenblatt konduktiver Füllstandgrenzschalter CoFox® ELT 680 Datenblatt PDF
AFRISO Datenblatt konduktiver Füllstandgrenzschalter CoFox® ELT 680
Professionelle Füllstandlösungen für Industrie- und Prozesstechnik Prospekt PDF
AFRISO Professionelle Füllstandlösungen für Industrie- und Prozesstechnik
Mess- und Regeltechnik für hygienische Prozesse Produktprogramm Industrietechnik PDF
AFRISO Mess- und Regeltechnik für hygienische Prozesse
Füllstandgrenzschalter CoFox® ELT 680 Konformitätserklärung PDF
AFRISO Füllstandgrenzschalter CoFox® ELT 680

Der Füllstandgrenzschalter CoFox® ELT 680 arbeitet auf Leitfähigkeitsbasis. Durch eine einstellbare Zeitverzögerung wird ungewolltes Schalten bei unruhigen Oberflächen vermieden. Die Empfindlichkeit und der Einstellbereich des Gerätes wurden so gewählt, dass Übergangswiderstände, die z. B. durch Schaum (in Brauerei-, Molkerei- und Eiscremeanlagen) am Sondenisolator entstehen können, keinen Einfluss auf die zuverlässige Funktion des Gerätes haben. Weiterhin ist es möglich, Trennschichten zwischen Flüssigkeiten mit unterschiedlicher Leitfähigkeit, z. B. Wasser/Milch, in Rohrleitungen und Tanks zu detektieren.

Das Gerät kann bei Anschluss einer Sonde als Einpunktregler und bei Anschluss von zwei Sonden als ab hängiger Zweipunktregler betrieben werden.

Einstellbereich
Variable Einstellung
Bereich HR:
1 kOhm bis 100 kOhm
Bereich LR:
50 Ohm bis 2.000 Ohm
Temperatureinsatzbereich
Umgebung:
-10/+60 °C
Versorgungsspannung
AC 230 V oder DC 24 V
Nennleistung
4 VA oder 2,5 W
Sondenstromkreis
Max. AC 3 V
Schaltausgang
Relaiskontakt:
1 potenzialfreier Wechsler
Kontaktbelastung:
AC 250 V, 750 VA
DC 12 V, 1 A
Optische Anzeige
Grüne LED
Zeitverzögerung
Einstellbar 0 bis 20 s
Sicherheitsschaltung
Integrierter Umschalter für Min.- oder Max.-Sicherheit (Low/High)
Gehäuse
Normschienengehäuse aus schlagfestem Kunststoff (ABS)
B x H x T:
73 x 55 x 112 mm
Schutzart:
IP 40 (EN 60529)
Lieferumfang
  • Füllstandgrenzschalter ohne Sonde
Füllstandgrenzschalter CoFox® ELT 680
Füllstandgrenzschalter CoFox® ELT 680
AFRISO
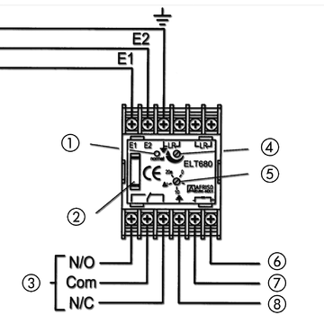
  1. Grüne LED (normal) Relais angezogen
  2. Sicherheitsschaltungsschalter
  3. Relaisausgang
  4. Empfindlichkeitspotenziometer
  5. Schaltverzögerungspotenziometer
  6. Netzversorgung Phase-L1-(Dc+)
  7. Netzversorgung Null-N-(DC)
  8. Netzversorgung Masse-PE-Flächendeckende Überwachung